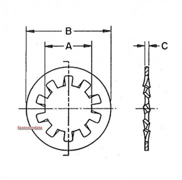
Inch Internal Toothed Shakeproof Washer Spring-Steel B18.21.1T6
Inch Internal Toothed Shakeproof Washer Spring-Steel B18.21.1T6
| Size | Size | A Max | A Min | B Max | B Min | C Max | C Min |
| No.2 | 0.0860 | 0.0950 | 0.0890 | 0.2000 | 0.1750 | 0.0160 | 0.0100 |
| No.3 | 0.0990 | 0.1090 | 0.1020 | 0.2320 | 0.2150 | 0.0160 | 0.0100 |
| No.4 | 0.1120 | 0.1230 | 0.1150 | 0.2700 | 0.2450 | 0.0180 | 0.0120 |
| No.5 | 0.1250 | 0.1360 | 0.1290 | 0.2800 | 0.2550 | 0.0200 | 0.0140 |
| No.6 | 0.1380 | 0.1500 | 0.1410 | 0.2950 | 0.2750 | 0.0220 | 0.0160 |
| No.8 | 0.1640 | 0.1760 | 0.1680 | 0.3400 | 0.3250 | 0.0230 | 0.0180 |
| No.10 | 0.1900 | 0.2040 | 0.1950 | 0.3810 | 0.3650 | 0.0240 | 0.0180 |
| No.12 | 0.2160 | 0.2310 | 0.2210 | 0.4100 | 0.3940 | 0.0270 | 0.0200 |
| 1/4" | 0.2500 | 0.2670 | 0.2560 | 0.4780 | 0.4600 | 0.0280 | 0.0230 |
| 5/16" | 0.3125 | 0.3320 | 0.3200 | 0.6100 | 0.5940 | 0.0340 | 0.0280 |
| 3/8" | 0.3750 | 0.3980 | 0.3840 | 0.6920 | 0.6700 | 0.0400 | 0.0320 |
| 7/16" | 0.4375 | 0.4640 | 0.4480 | 0.7890 | 0.7400 | 0.0400 | 0.0320 |
| 1/2" | 0.5000 | 0.5300 | 0.5120 | 0.9000 | 0.8670 | 0.0450 | 0.0370 |
| 9/16" | 0.5625 | 0.5960 | 0.5760 | 0.9850 | 0.9570 | 0.0450 | 0.0370 |
| 5/8" | 0.6250 | 0.6630 | 0.6400 | 1.0710 | 1.0450 | 0.0500 | 0.0420 |
| 11/16" | 0.6875 | 0.7280 | 0.7040 | 1.1660 | 1.1300 | 0.0500 | 0.0420 |
| 3/4" | 0.7500 | 0.7950 | 0.7690 | 1.2450 | 1.2200 | 0.0550 | 0.0470 |
| 13/16" | 0.8125 | 0.8610 | 0.8320 | 1.3150 | 1.2900 | 0.0550 | 0.0470 |
| 7/8" | 0.8750 | 0.9270 | 0.8940 | 1.4100 | 1.3640 | 0.0600 | 0.0520 |
| 1" | 1.0000 | 1.0600 | 1.0190 | 1.6370 | 1.5900 | 0.0670 | 0.0590 |
| 1.1/8" | 1.1250 | 1.1920 | 1.1440 | 1.8300 | 1.7990 | 0.0670 | 0.0590 |
| 1.1/4" | 1.2520 | 1.3250 | 1.2750 | 1.9750 | 1.9210 | 0.0670 | 0.0590 |
| Weight | 0.0000 |
|---|---|
| Material | Spring-Steel |
| Standard Number | B18.2.1.1T6 |
| Second Standard | - |
| Drive | Non |
| Head | NON |
| American Generic Brand Term | LOCKWASHER |
| Diameter | 0 |
| Length | NON |
